缓冲夹制造商和供应商
符合 DIN 3016-1 标准
缓冲卡箍又称橡胶 P 形卡箍或橡胶电缆卡箍,是一种多功能紧固装置,用于固定管道、软管和电缆,同时最大限度地减少振动和磨损。它的橡胶衬里提供了一个缓冲夹具,可防止磨损和热损伤,即使在苛刻的环境中也能确保稳定性。这些 P 型卡箍常用于汽车、电气和机械应用中,既能提供可靠的支撑,又能降低噪音,实现长期平稳运行。.
我们提供多种尺寸和可定制的选项,以满足不同的软管和管道要求。每个卡箍都是采用先进的生产技术制造而成,确保在苛刻的条件下也能保持卓越的耐用性和可靠的强度。.
HWKG 提供以下缓冲夹具
D2 缓冲夹具
F1 缓冲夹具
带胶条的无铆钉缓冲夹
无铆钉浸涂缓冲夹具
无铆钉缓冲夹
表面选项
镀锌: 美观大方;配件可经受 24/48/72 小时的中性盐雾测试,不会出现红色锈迹。.
达克罗电镀 配件可经受 120-1000 小时的中性盐雾测试,不会出现红锈。.
三元乙丙橡胶条: 耐温 -40℃~120℃。.
硅橡胶条 耐温 -40℃~250℃。.
缓冲夹(固定夹)规格表
| 夹紧范围 | 带宽 | b2 | dn | d3 | L1 L3 +1/-0.02 | L2 L4 最大值 | L7 +1/-0.2 | L8 最大 | S1 + 0.2/-0.1 W1 W4 / W5 | S2 + 0.2/-0.1 W1 W4 / W6 | S3 ±0.35 | 条状材料 | |||||||
|---|---|---|---|---|---|---|---|---|---|---|---|---|---|---|---|---|---|---|---|
| 4-20 | 9 | 13±0.8 | 4.3 | d1+ | 5.2 | d1/2+ | 5.7 | d1/2+ | 10.2 | d1/2+ | 5.7 | d1/2+ | 10.2 | 0.4 | 1.4 | 1 | 可选择三元乙丙橡胶、氯丁橡胶、聚氯乙烯和其他材料 | ||
| 4-25 | 12 | 15±0.8 | 5.3 | 5.8 | 8 | 14 | 8 | 14 | 0.5 | 0.5 | 1.2 | ||||||||
| 5-14 | 15 | 19±1.0 | 6.4 | 11.2 | 11.2 | 18.7 | 11.2 | 18.7 | 0.6 | 0.6 | 1.5 | ||||||||
| 15-45 | 0.8 | 0.6 | 1.8 | 1.6 | |||||||||||||||
| 10-25 | 20 | 25±1.0 | 8.4 | 14.5 | 14.5 | 24.5 | 14.5 | 24.5 | 0.8 | 2.3 | 2 | ||||||||
| 26-50 | 1 | 0.8 | 2.5 | 2.3 | |||||||||||||||
| 15-49 | 25 | 31±1.3 | 10.5 | 17.5 | 17.5 | 30 | 17.5 | 30 | 1 | 2.5 | 3 | ||||||||
| 50-150 | 1.25 | 1 | 2.75 | 2.5 | |||||||||||||||
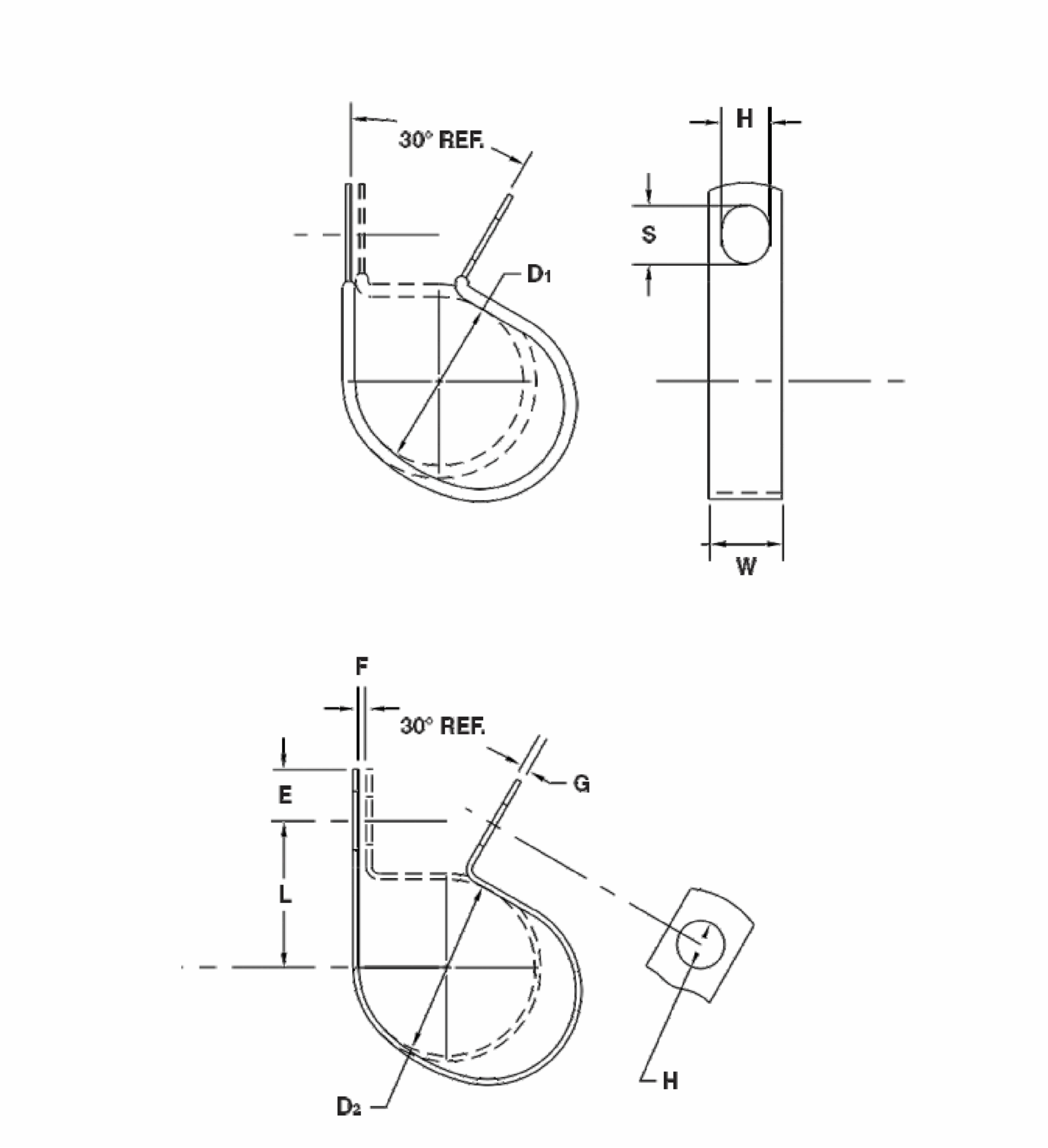
| D1 | D2 | H | L | W | E | F | G | S | 钢带材料 | 橡胶条材料 |
|---|---|---|---|---|---|---|---|---|---|---|
| .125 | .187 | .281 | .468 | .500 | .312 | .031 | .032 | .375 | 该产品提供热浸镀锌钢带、镀锌碳钢和 300 系列不锈钢等材料选择,以满足不同的应用要求 | 聚氯乙烯 |
| .343 | .531 | .625 | .375 | .031 | .032 | .437 | ||||
| .406 | .593 | .750 | .437 | .031 | .032 | .500 | ||||
| .187 | .250 | .281 | .500 | .500 | .312 | .031 | .032 | .375 | ||
| .343 | .562 | .625 | .375 | .031 | .032 | .437 | ||||
| .406 | .625 | .750 | .437 | .031 | .032 | .500 | ||||
| .468 | .687 | .750 | .500 | .031 | .032 | .562 | ||||
| .250 | .312 | .281 | .531 | .500 | .312 | .031 | .032 | .375 | ||
| .343 | .593 | .625 | .375 | .031 | .032 | .437 | ||||
| .406 | .656 | .750 | .437 | .031 | .032 | .500 | ||||
| .468 | .718 | .750 | .500 | .031 | .032 | .562 | ||||
| .531 | .781 | .875 | .562 | .031 | .032 | .625 | ||||
| .312 | .375 | .281 | .562 | .500 | .312 | .031 | .032 | .375 | ||
| .343 | .625 | .625 | .375 | .031 | .032 | .437 | ||||
| .406 | .687 | .750 | .437 | .031 | .032 | .500 | ||||
| .468 | .750 | .750 | .500 | .031 | .032 | .562 | ||||
| .531 | .812 | .875 | .562 | .031 | .032 | .625 | ||||
| .375 | .437 | .281 | .593 | .500 | .312 | .062 | .032 | .375 | ||
| .343 | .656 | .625 | .375 | .062 | .032 | .437 | ||||
| .406 | .718 | .750 | .437 | .062 | .032 | .500 | ||||
| .468 | .781 | .875 | .500 | .062 | .032 | .562 | ||||
| .531 | .843 | .875 | .562 | .062 | .032 | .625 | ||||
| .437 | .500 | .281 | .625 | .500 | .312 | .062 | .048 | .375 | ||
| .343 | .687 | .625 | .375 | .062 | .048 | .437 | ||||
| .406 | .750 | .750 | .437 | .062 | .048 | .500 | ||||
| .468 | .812 | .875 | .500 | .062 | .048 | .562 | ||||
| .531 | .875 | 1.000 | .562 | .062 | .048 | .625 | ||||
| .500 | .562 | .281 | .656 | .500 | .312 | .062 | .048 | .375 | ||
| .343 | .718 | .625 | .375 | .062 | .048 | .437 | ||||
| .406 | .781 | .750 | .437 | .062 | .048 | .500 | ||||
| .468 | .843 | .875 | .500 | .062 | .048 | .562 | ||||
| .531 | .906 | 1.000 | .562 | .062 | .048 | .625 | ||||
| .562 | .625 | .281 | .687 | .500 | .312 | .062 | .048 | .375 | ||
| .343 | .750 | .625 | .375 | .062 | .048 | .437 | ||||
| .406 | .812 | .750 | .437 | .062 | .048 | .500 | ||||
| .468 | .875 | .875 | .500 | .062 | .048 | .562 | ||||
| .531 | .937 | 1.000 | .562 | .062 | .048 | .625 |
使用 P 型夹具有什么好处?
HWKG 缓冲夹具结合了坚固的金属主体和弹性橡胶内衬,具有减震、耐磨和安全支撑管道、软管和电缆的功能。.
减震降噪
内衬橡胶的 P 型卡箍又称缓冲卡箍,具有出色的吸振和降噪功能。柔软的橡胶内衬可在卡箍和被固定物品之间形成缓冲,防止金属与金属之间的接触。这可以减少机械疲劳,确保在汽车和工业环境中管道、电缆和软管的运行更加平稳。.
防磨损保护
橡胶 P 型卡箍的一个主要优点是能够防止磨损。缓冲层可保护软管和电缆免受摩擦或不断移动造成的损坏。这对于绝缘或表面完整性必须保持完好的软管或电气线束尤为重要。.
腐蚀和热保护
橡胶衬垫卡箍还有助于隔离异种金属,降低电化学腐蚀的风险。此外,橡胶衬里还能适应轻微的热胀冷缩,防止卡箍和被固定物体出现裂缝或断裂。因此,它们适用于恶劣的户外或海洋环境。.
安全、多功能的安装解决方案
缓冲卡箍易于安装,有各种材质和尺寸,如不锈钢、铝和镀锌钢。无论是用于固定液压软管、电线束还是导管,其耐用的橡胶垫都能在振动、高温或移动时提供稳定持久的固定。.
缓冲夹有什么用途?
缓冲卡箍是用于固定软管、管道和电缆的多功能紧固解决方案。HWKG 的缓冲卡箍因其耐用的橡胶衬里和可靠的性能而广泛应用于各行各业。以下是这些卡箍的一些常见用途:
汽车用缓冲夹
橡胶 P 形卡箍在汽车应用中广泛用于固定线束、软管和管道。其缓冲衬里可减少振动,保护部件免受磨损,确保发动机和底盘系统的性能可靠。.
船用缓冲夹
在海洋环境中,缓冲夹有助于固定电缆、管道和软管,同时还能抗腐蚀和抗振动。橡胶衬里可吸收冲击并防止磨损,是船只、船舶和近海设备的理想选择。.
用于工业设备的缓冲夹具
缓冲卡箍可为机械配线、液压软管和管道提供稳定的安装。其耐用的橡胶内衬可保护部件免受摩擦和振动,提高安全性并延长工厂和设备的使用寿命。.
用于冷热水管道的缓冲卡箍
内衬橡胶的 P 型卡箍非常适合冷热水管道系统,可确保管道安全并防止磨损。它们能适应热膨胀和振动,确保无泄漏和持久安装。.
需要不同的夹钳选项?请联系我们的产品专家,获取最新产品目录。.
电缆夹的常见材料类型
HWKG 提供各种材料的金属电缆夹,以适应不同的应用,如热浸镀锌钢带、镀锌碳钢和 300 系列不锈钢。有些线夹甚至将多种材料结合在一起,以获得最佳的强度和保护性能。.
不锈钢电缆夹
不锈钢电缆夹由热浸镀锌钢带、镀锌碳钢或 300 系列不锈钢制成,具有卓越的强度和耐腐蚀性。这些卡箍非常适合恶劣的工业或汽车环境,在牢牢固定软管、管道或电缆的同时,还能提供长期的耐用性。坚固的金属结构可确保卡箍在高应力下保持形状,同时在与橡胶内衬型卡箍一起使用时仍能适应轻微的移动。.
橡胶电缆夹
橡胶 P 形卡箍或橡胶衬垫卡箍设计用于减震和防磨损。柔软的 PVC 或橡胶衬里可防止软管、管道和线束的磨损,延长其使用寿命并确保安全抓握。这些卡箍非常适合需要精细处理铜管、塑料管或电缆等材料的应用,同时还能牢固地固定在墙壁、天花板或其他安装表面上。.
铝制 P 型夹
铝制 P 型卡箍集轻质设计、中等强度和耐腐蚀性于一身。这些卡箍适用于需要在不牺牲稳定性的前提下减轻重量的应用场合。金属提供了坚实的结构,而某些设计则加入了橡胶衬里,以保护敏感的软管或电线。铝 P 型卡箍常用于汽车、船舶和机械装置中,在这些应用中,耐用性和减轻重量是必不可少的。.
为什么选择 HWKG 是您的坐垫夹供应商吗?
HWKG 是您可靠的缓冲夹具合作伙伴,我们为全球客户提供可靠的解决方案。选择 HWKG,您可以期待
20 多年的经验
HWKG 专注于卡箍制造已有 20 多年,为全球客户提供可靠的产品和专业的解决方案。.
行业领先的研发能力
我们拥有一支由 50 多名专家组成的专业研发团队,将创新设计与卓越制造相结合,开发出先进的卡箍解决方案。.
严格的质量控制和管理
我们通过先进的设备、内部自动化以及 ISO9001、ISO14001、ISO45001 和 IATF16949 认证管理体系,确保质量始终如一。.
广泛的应用领域
HWKG 产品广泛应用于各行各业,包括汽车、电力系统、电信、安防、船舶、电动工具等。.
为客户提供全面服务
我们提供专业的售前咨询、技术支持和售后服务,确保每一位客户都能得到及时响应、可靠的解决方案。.
缓冲夹常见问题
缓冲夹可以重复使用吗?
是的,只要在拆卸过程中没有损坏,许多类型的缓冲夹都可以重复使用,尤其是那些由不锈钢等优质材料制成的缓冲夹。不过,某些专用卡箍,如用于光缆或特定一次性应用的某些类型,可能不能重复使用。.
P 型卡箍可以用于软管吗?
是的,P 型卡箍,尤其是橡胶 P 型卡箍,设计用于固定软管,同时防止磨损和振动。它们广泛应用于汽车和船舶等行业,如安装燃油和液压管路。.
P 型夹是否耐腐蚀?
是的,P 型夹可以耐腐蚀,耐腐蚀性取决于其材质,如不锈钢、尼龙或特殊涂层。不锈钢(如 304 或 316)和尼龙夹具有出色的耐腐蚀性,而低碳钢夹可能有镀锌等涂层来防锈。要获得最佳保护,尤其是在恶劣环境中,不锈钢 P 型夹是最可靠的选择。.
如何使用橡胶 P 型夹钳?
要使用橡胶 P 型夹,首先要选择适合电线、电缆或软管的夹子。将物品放入夹子的圆形开口中,确保其稳固地固定在橡胶衬垫上。将夹子放在墙壁、天花板或其他安装表面上,然后用螺丝拧紧,将物品牢牢固定到位。确保卡箍紧固但不过紧,让橡胶衬里吸收振动并保护电缆或软管免受磨损。.